- Производитель:
- Артикул:27256400
- 0
- Материал:латунь
- Гарантия:2 года
- Показать все характеристики
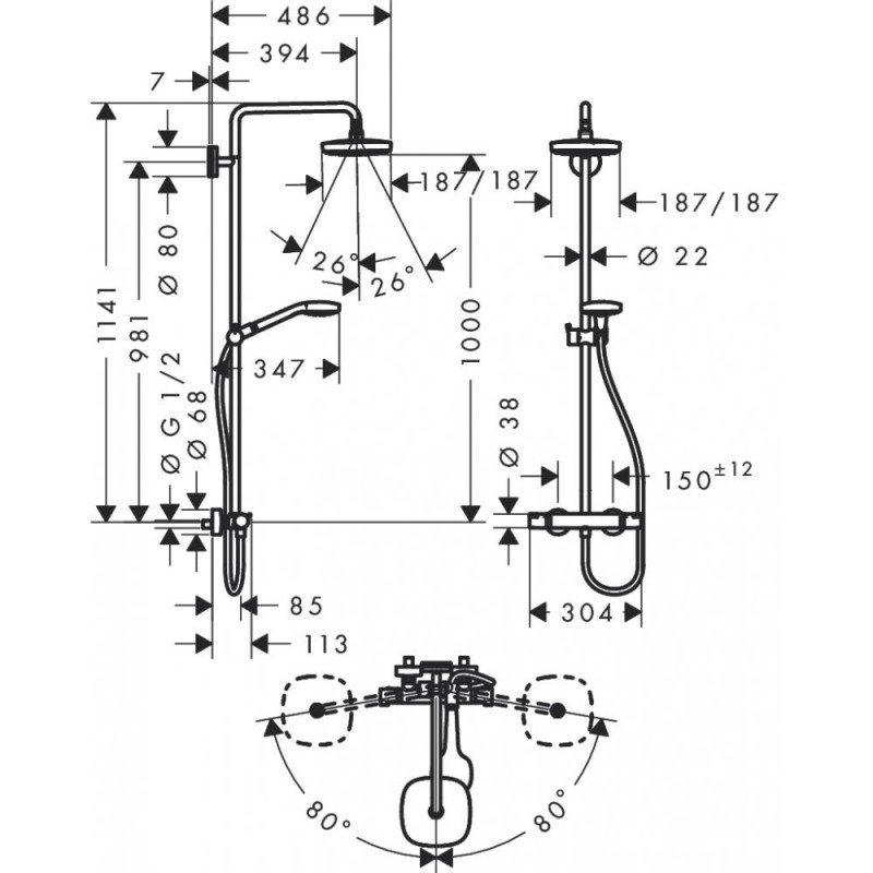
Душевая стойка Hansgrohe Croma Select E 180 Showerpipe 27256400 состоит из:
- верхнего душа, ручного душа, термостатического смесителя, штанги для душа, держателя для душа.
Особенности душевой системы:
- максимальный расход воды при 3 бар: 16 л/мин
- размер душевого диска: 187 мм
- тип струи верхнего душа: Rain, IntenseRain
- переключение типов струи с помощью кнопки Select
- верхний душ с шарнирным соединением, регулируемый наклон
- длина держателя для душа: 400 мм
- поворотный держатель для душа
- термостат Ecostat Comfort с кнопками Select
- предохранитель при 40°C
- межосевое расстояние: 150 ± 12 мм
- подсоединение G1/2
- класс шума: I
- класс расхода воды: B, O.
Данная информация о товаре предоставлена исключительно в целях ознакомления и не является публичной офертой. Производители оставляют за собой право изменять внешний вид, характеристики и комплектацию товара, предварительно не уведомляя продавцов и потребителей. Просим вас отнестись с пониманием к данному факту и заранее приносим извинения за возможные неточности в описании и фотографиях товара. Чтобы их избежать уточняйте у наших консультантов важные для вас параметры и осматривайте товар при получении.
ООО «Сантехпром» УНП 101304394, ОКПО 37471023,Минский р-н, аг. Озерцо, ул. Центральная, 1б,
ООО «Сан Суплай», г. Минск, Бетонный проезд, 21, 1 эт
Производитель: Hansgrohe SE Auestrasse 5-9 7761 Schitach Federal Republic of Geermany
| Основные характеристики | |
| Материал | латунь |
| Гарантия | 2 года |
| Размерные характеристики | |
| Ширина, см | 30,4 |
| Высота, см | 114,1 |
| Функциональные характеристики | |
| Термостат | да |
| Дополнительные характеристики | |
| Излив для ванны | нет |





























































































-143x143.jpg)






















